Electron Micrographs**

Below is a collection of electron micrographs with labelled subcellular structures that you should be able to identify. Also, be sure to observe any electron micrographs which are made available in the laboratory by the instructor. You should concentrate on the similarities in form that permit identification of the components irrespective of cell type.

Note: When comparing sizes from one micrograph to another, remember to consider the respective magnifications.

Figure 1 Micrograph of a nucleus.

1. Heterochromatin
2. Euchromatin
3. Nucleolus
4. Nucleolar associated chromatin
5. Nuclear envelope

Figure 2 Micrograph of a portion of a nucleus:

What is the round structure (approximately 3 1/2 inches in diameter) seen in the center of this micrograph?

1. Nucleolar associated chromatin
2. Fibrillar component of nucleolus
3. Granular component of nucleolus
4. Euchromatin
5. Heterochromatin
6. Nuclear pore
7. Nuclear envelope

Figure 3 Part of the nucleus and cytoplasm of a cell (at very high magnification):

1. Nuclear pore
2. Nuclear cisterna
3. Ribosomes
4. Heterochromatin

Figure 4 A tangential section through the periphery of a nucleus (at a lower magnification than figure 3):

1. Nuclear pores (Notice their shape in this en face section.)
2. Heterochromatin
3. Ribosomes

Figure 5 Portions of two cells are illustrated in this micrograph:

1. Two plasma membranes
2. Microtubule
3. Nucleus
4. Golgi apparatus
a. Cisterna
b. vesicles
c. Vacuoles
5. Rough endoplasmic reticulum
6. Mitochondria

Figure 6 Organelles/inclusion in a cell:

1. Lipid droplet
2. Smooth endoplasmic reticulum
3. Mitochondria
4. Mitochondrial matrix granules
5. Cristae

Figure 7 A cell with an abundance of smooth endoplasmic reticulum:

Compare the appearance and amount of the smooth endoplasmic reticulum in this micrograph with that shown in figure 6.

What are several functions of smooth endoplasmic reticulum?

Figure 8 An area of cytoplasm is illustrated:

1. Mitochondria (Notice the structure of cristae as compared to Figure 6 )
2. Ribosomes
3. Lysosomes

Figure 9 An autophagic vacuole (at high magnification):

This autophagic vacuole contains a mitochondrion. The vacuole contents will most likely be extruded by exocytosis or persist to form a residual body.

Figure 10 A portion of cytoplasm (at high magnification):

1. Mitochondria
2. Peroxisome
3. Nucleoid
4. Rough endoplasmic reticulum
5. Glycogen

Figure 11 This tissue was treated with potassium ferrocyanide in order to stain glycogen. However, the procedure alters the "typical" appearance of organelles:

1. Glycogen (Densely stained here versus unstained in Figure 10 )
2. Mitochondria
3. Peroxisome

Figure 12 A portion of cytoplasm (at high magnification):

1. Two multivesicular bodies
2. Filaments
3. Mitochondrion
4. Lysosome

Figure 13 Epithelial specializations (at very high magnification):

1. Unit membrane
2. Glycocalyx
3. Microvillus (Note the black central actin filaments)
4. Coated vesicle
5. Multivesicular body
6. Desmosome
7. Filaments
8. Microtubule
9. Intercellular space

Figure 14 Junctional specializations between two epithelial cells:

1. Zonula occludens (tight junction)
2. Zonula adherens (intermediate junction)
3. Macula adherens (desmosome)
Insert: Zonula occludens

Figure 15 A junctional specialization:

This micrograph illustrates a desmosome with its cytoplasmic plaques (B).

Figure 16 A gap junction:

The two unit membranes making up this gap junction are labelled C.

Figure 17 The basal portion of a myoepithelial cell:

Figure 18 A centriole (at very high magnification):

This micrograph represents a cross section of a centriole. The microtubules are shown in their characteristic arrangement.

Figure 19 Two centrioles are illustrated in this figure:

Longitudinal section of two centrioles.

Figure 20 Cilia:

A represents a microtubule. Remember that 9 doublets form the periphery of the axoneme. Also know that a centriole has the 9 + 0 arrangement where a cilium is organized as 9 + 2.

Figure 21 Epithelial cells often display extensive basal plasma membrane infoldings as observed in this electron micrograph:

1. Compartmentalized mitochondrion
2. Extracellular space
3. Basal lamina
4. Heterochromatin

Figure 22 A cell in mitosis (Metaphase):

1. Microtubule
2. Chromosomes

Figure 23 A cell in mitosis (Telophase):

1. Daughter nucleus
2. Midbody

Figure 24 Striated muscle.

Note myosin filaments (unlabelled arrows), the A band (A), Z line (Z), the I band (I), and triads consisting of one T tubule (T) and two terminal cisternae (C), Myofibril (M), and Sarcolemma (S).

Figure 25 Intestinal epithelial absorptive cell.

Note the microvilli (MV) connected by junctional complexes (JC). Observe the lateral cell compartment (LC) between the cells.

Figure 26 Small intestine.

Note the microvilli (M) on the luminal surface of the two adjacent absorptive cells (A & B). The mircrovilli are coated with a glycocalyx (G).

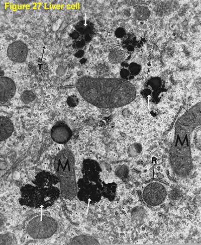
Figure 27 Liver cell.

Note prominent secondary lysosomes (white arrows) and mitochondria (M). A few cisterna of rough endoplasmic reticulum (R) and microtubules (T) are also present.

Figure 28 Liver.

Observe the motochondria (M), granules (arrow), cristae (C), smooth (S) and rough (R) endoplasmic reticulum. Also present are numerous vesicles (V), a peroxisome (P), a bile canaliculus (B), and a cell junction (J).

Figure 29 Scanning EM of liver.

Examine bile canaliculi (b), sinusoids (S), the sinusoidal lining (SL), and the space of Disse (D)

Figure 30 Capillary endothelial cell.

Examine numerous pinocytic vesicles (P), ribosomes (R), and mitochondria (M).

**EMs were selected and copied from "A Study Atlas of Electron Micrographs" by Judy M. Strum, Ph.D. with permission of the author. Dr. Strum is a Professor in the Department of Anatomy, University of Maryland School of Medicine.