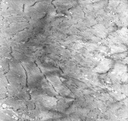
May, 2003, Case 305-2.
![]() |
This is a higher magnification of the core in Panel I. Note that disturbance of architecture is extensive enough to cause total dissolution of Z-discs in some areas (in between àÝ). Reduction in the length of I-band is clearly demonstrated here. |